大家好,我是 @开灯厂的云笺 ,工作相关对灯饰有一定的了解,这次也是为了表达清楚护眼台灯真正需要关心哪些参数,结合我的测评结果,希望可以帮助你弄清楚要不要为商家宣传的那么多复杂的概念多花钱。
进入正文之前先回答大家可能最关心的一个问题:护眼台灯究竟是如何护眼的?
实际上“护眼台灯”并没有真正护眼的功能,国标中称做“读写作业台灯”,所有台灯的任务都只是提供人眼在阅读和学习下最舒适的光照环境,从而减少对眼睛的伤害(从这一角度来说也确实达到护眼的效果)。而针对这个标准在质检总局所开展的护眼灯质量安全风险监测中,批次不合律高达93.8%,所以我们要做的就是在一大群鱼龙混杂的产品中挑选到真正符合标准和优质的产品。
所以,阅读学习的时候到底需不需要台灯?
答案是需要的,而且还得选择护眼台灯。
首先,台灯能够提供局部照明,也就是光线更为集中且亮度更高,能够更加清晰地看到需要阅读的书籍或需要工作的桌面。相比之下,房间的日光灯则负责整体照明,虽然它能让整个房间都明亮起来,但光线对于局部来说是照明程度是不够的。

所以还是回到了前面所说的,所有台灯的任务都只是提供人眼在阅读和学习下最舒适的光照环境,从而减少对眼睛的伤害。
一、如何挑选参与测评的台灯?
参与测评的11款台灯我发现在了解大众需求后测评思路就清晰了很多,筛选原则围绕台灯数量、销量、品牌、价格分布、代表性的产品这几个维度进行,最终从初选的60款产品中锁定了这11款。
本次测评参考依据:国家质量监督总局和国家标准委员管理会发布的《GB/T9473-2017读写作业台灯性能要求》
二、台灯真正需要关注那些参数?为节省大家的浏览时间,下面结合思维导图直接说结论:

1、照度、均匀度
很好理解,照度是指台灯照在桌子上的亮度,均匀度指的是光照均不均匀。
国标对台灯的照度及均匀度做出了要求,分为了国A和国AA两个等级,国标A级跟AA级的区别主要是在台灯的照度上,照度的单位是Lux。

AA级标准要求小于等于300mm内的120°扇形区域,照度不低于500勒克斯(lx),同时≥300mm,≤500mm的120°扇形区域,照度不低于250勒克斯(lx),A级标准差不多就是这个基础上的五分之三。
在我们读写的时候并不会只有一个光源点进行,如果中心亮度很高而四周围亮度比较暗,眼睛为了适应不同亮度的光照环境就会瞳孔不断的放大和缩小,眼睛很容易引发疲劳,这就对了光照的均匀度有所要求了,照度均匀性的测试数值越接近1越好,说明光照越均匀。
引用GB/T 9473-2017《读写作业台灯性能要求》国标A级和AA级的光照均匀度都要求在500mm的120°扇形环带内均匀度不大于3。这项标准其实在整个测量过程中发现并没有那么容易满足。
以上台灯的照度和均匀度是可以在商品的介绍详情页中查看的,有些商品没有标明的可以咨询客服。
商品详情页会有相关实测数据在本次测评实际测量中,将灯具以正常位置摆放在水平桌面上,光源距离水平桌面40cm,出光口的几何中心垂直投影点为圆心,分别距圆心300mm和500mm半径画圆心角180°的两个半圆,然后分别测量点O、A、B、C、D、E、F、G、H、I、J十一个点的照度,计算照度均与度,如下图所示:

本次测评结果显示11款台灯照度及均匀度均符合国标A级和AA级标准要求。
十一款台灯照度测试结果一览图,供快速浏览国aa和国a的区别主要是在台灯的照度上,我建议如果是长期看书和写作业的人群尽可能选择国aa级的台灯。
另外台灯的光照面积也需要关注,像米家lite这款平时看个书是够的,但如果放上一本大的练习册和一本书的话覆盖程度就非常有限了。
上:小米lite 下:飞利浦品慧二代2.色温
大家可能都有这种感觉,在正午太阳下阅读一小会眼睛就会受不了,这是因为正午的阳光正色温过高,容易刺激眼睛。

简单来说色温决定灯光的舒适度,色温过低,灯光趋于黄红色,容易犯困;色温过高,灯光会趋于白色,容易刺激眼球。
同样色温的选择也有一个标准,研究表明人在色温为4000K的环境下阅读学习是最舒适的,因此国标要求读写台灯的色温应该在4000K左右,也就是最接近自然光照时候的色温。
值得注意的是,现在很多学习台灯都要色温调节的设置,在阅读时要将台灯调节为4000K左右,即读写模式。
3.显色指标:
现在很多护眼台灯都开始谈显色指数,显色指数指的是物体色彩的还原程度。一般的,显色指数越高,物体在该灯光下的真实性越高。
举个生活中的小例子,我们发现在路灯下是很难看到物体真实的颜色的,这是因为路灯的显色指数非常低,通常只有Ra50左右。
不同显色指数 物体颜色的呈现情况国标要求显色度Ra80为标准,即选择显色指数在Ra80或者以上的台灯。另外没有必要过度的追去高显色的台灯除非你有更专业的需求,比如绘画,摄影展览,专业的印刷厂对于显色指数其实也只有90左右。
4.蓝光
虽然自然界中的蓝光对我们的眼睛并没有危害作用,但是LED灯里的蓝光对视网膜有“光毒性”,因此国标里专门强调了蓝光危害,并要求最好使用蓝光危害RG0等级的产品。
为什么会有蓝光?

一般市面上生产的LED灯珠出于节能的考虑会选用蓝光激发的LED芯片,对眼睛伤害最大的是414~455纳米范围的蓝光。尤其是廉价LED灯具蓝光问题更突出,亮度不高,蓝光来凑,甚至有的产品发出的蓝光比其他光源更多,对眼睛的危害自然不言而喻。
国标将蓝光的危害等级做了如下标准:

从低到高依次标注为 RG0 到 RG3,优先选择RG0的护眼灯。
5.频闪
关于频闪,值得注意的是,大多数台灯在交流电压下工作时,尽管程度不同,都会产生闪烁。然而,许多台灯已经实现了“无肉眼可见频闪”的效果。
对于频闪的问题,其实不必过于担心。交流电本身的波动较大,但台灯在接入并完成降压整流后,通过电容电感等技术手段,可以使得电流变得更加平稳。这一过程基于电路原理,即使是价格仅为十几元且包邮的台灯也能实现。
当然,更高端的台灯在数据表现上会更加出色。其电路设计更为精确,配备了相应的驱动电路,将交流电转换为直流电,从而从根本上解决了频闪问题。从安全角度来看,控制频闪并不是一件困难的事情,即便是低价台灯也能做到,更不用说符合国家标准的高端台灯了。

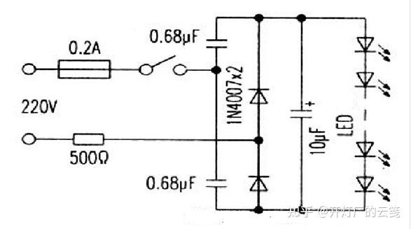
可以参考一下最简单的LED台灯电路图。
交流部分,500欧限流电阻,IN4007整流二极管,与0.68微法电容和0.2A保险组成电流源。10微法电解电容作为滤波电容,使输出电流更稳定。了解了以上六点重要的关键指标,接下来可以参考台灯的功能和价格做打算。
6.产品功能
自动调光、定时休息、延时关灯等等,这是现在都基本标配功能了,毕竟竞品越来越多,哪好意思只发个光。不过就我个人而言,这些功能都无关紧要,具体看个人需求~
三、拉开台灯价格差距还有哪些因素相信看到这里的你不难发现一个问题,台灯的价格差距不是全部体现在光学性能上。越贵的台灯往往在使用性能上越发力,比如台灯的便携性,稳定性。
1,台灯的稳定性刚收到货的时候我最直观的感受就是就是一分钱一分货,尤其在台灯这样成熟的行业里更是体现的淋漓尽致。台灯重量差距非常大,而我们在实际使用的过程中,对台灯的好的稳定性需求并不小。

台灯的稳定性最主要体现在底座的重量上,台灯如果重量较轻,可能会因为重心高而容易倒落,存在一定的安全隐患,下面一起看一下测评的十一款台灯标注的净重以及我在使用实的直观感受:

十一款台灯中,米家lite这款是质量最轻的,基本上就是一碰就倒,像现在很多孩子使用的儿童书桌就有小二层楼的设计,如果将台灯放在上面的显然不太安全。飞利浦品慧二代和孩视宝TG032这两款重量就比较接近,也不会很重,整体稳定性一般,也不建议放在高出使用。
而到了200块钱以上价位的产品,整体稳定性就有了明显的提升,测试的11款中,上表中编号第2、4、5、6、11这几款都是很重的,底盘稳定性也非常高。
2,台灯的便携性接下来就是台灯的便携性了,一般说台灯的便携性指的是台灯的灯杆、灯源的可调节性或者说是轴的数量,一款高价的台灯将部分发力点放在便携性上面势必是会引起不少的误解,所以有很多相关的话题在讨论高价的台灯是不是智商税。
但实际上这样的部署设计不是没有现实依据的,现在的学生参考资料和作业很多,一次可能就要放上三四本,台灯就只能放在离人有一定距离的位置,或者是放在像儿童书桌小二层这样高处的地方,这样一来台灯的可调节性就显得非常重要了,也就是灯杆、灯源可不可以转动。
左:飞利浦轩坦,右:孩视宝LV23https://www.zhihu.com/video/1467232517682532352在这块的实际操作过程中,发现一般到了200元以上价位的就有三轴可调节,灯板翻转幅度也会比较大,操作上更加灵敏。
600多块钱的松下致玫这款整体的细节方便都非常到位,可调性方面表现也依然出色,多向转轴就非常方便多家度调节了,很适合不同光照角度需求的人群。
松下致玫https://www.zhihu.com/video/1467233294161387520在便携性能这块,200元上下的产品差距会有比较大的明显。
左:好视力TG032,右:华为智选https://www.zhihu.com/video/146723265191288832099块钱的好视力和199的华为智选操作灵敏度差距非常大,好视力的灵活性表现不太好,米家lite也是同样的问题,而且只有一个轴。
四、总结先说说本次测评中筛选出的六款性价比最优的产品:(结合产品的性能和价格)
1,
建议最低标准放在百元以上的产品。百元以内即使标准达到国a国aa,基本上也是光学参数勉强达标,很难兼顾到产品的使用性能。
99元的好视力TG032和99元的米家lite均达到宣称的国aa级和国a级,不过这两款的光照有效覆盖面积会有点小,尤其是米家lite这款,一本大点的练习册放上去可能都有些不足够。所以不太建议用于长期阅读,便携性方面也差了些,米家lite只有灯板可上下调节,好视力虽灯杆灯板可调节,但是操作灵敏度差,有些吃力,而且调整幅度也比较小。所以,即使这两款价格更为亲民,但在光照覆盖面积和便携性方面存在一些不足,可能需要在使用过程中做出一些妥协。
米家lite的关照面积比较小
好视力TG032一本半的书差不多了200元以内飞利浦品慧二代这款整体更优,有效覆盖面积挺大的,照度及其照度均匀度均达到国标aa级的标准。
另外,200元以内价位的欧普元悦和华为智选那两款性价比还不错,没有明显短板的地方。欧普元悦是全光谱灯,有智能感光功能,华为这款还可以连接APP使用,好像是华为手机靠近就能自动识别。这两款的整体性能其实差不多,华为的可能会更多人吃它的颜。不过整体表现算是这个价位中中规中矩的产品,更推荐上面的飞利浦品慧二代,性价比更高。

这两款我把它们放在下面的文章中,有需要的朋友可参阅:
2025年有哪些性价比高的台灯推荐|200元以内台灯推荐?9月更新2,
我的建议是选购护眼台灯尽可能将预算放在200元以上,整体的光学性能和使用使用会更适合长期阅读使用。
孩视宝活动的时候不到300元,性价比真的超高了。采用了多级扩散漫射光技术,体验下来光线是很柔和的。而且超大的发光面积,足足有18.8cm,放两本半的书完全足够的。

【9月更新:VL235已下架,升级款OK50-V微导光板结构,光线更加均匀舒适高亮;VL235是面光源,光线比较柔和; OK50-V比VL235多了色温调节,VL235比OK50-V多了定时休息功能 】
这款三轴设计,而且灯板可180°旋转,调节性完全够用了,可以更高程度的适应各种不同角度和环境下的需求。独创微导光结构,中心照度1482lx,均匀度1.83,如果是长时间伏案读写,学习压力较大可以选OK50-V,可以更好的延缓视觉疲劳。
3,
到了300-500元这个价位其实就可以选到非常优质的产品了,产品的使用性能也会大大的提升。
这款飞利浦轩坦的外观是测试的11款台灯中我个人最喜欢的,深空灰金属设计,高级感满满,我记得刚打开包装盒的时候旁边的小伙伴还问我这款是不是最贵的。
这款是两轴设计,而且灯板可180°旋转,调节性完全够用了。有智能感光和入座感应功能,有三档模式调节。
这款还有一个白色的可选~
300-400的价位,松下和飞利浦都是比较好的选择。松下致巡那款,外观和上面的飞利浦轩坦挺像的,154颗定制侧发光灯珠,有效覆盖面积非常大。采用的钢化玻璃底座,产品净重有2700g,非常的稳固。不过对比这两款,性能是我还是更推荐飞利浦的轩坦,而且飞利浦轩坦价格也比松下致巡低了100元。
松下致巡某东官网截图雷士银河这款是在测评开始之前我最关注的一款产品,AAA全光谱灯,拥有超高的显色指数Ra98。
这款可以多关注一下,经常有活动。测试下面整体表现不是不错的,照度均匀度表现也比较好,我注意到它最高亮度的时候中心照度是1586勒克斯,能做到两个扇形均匀度度分别为2.1和2.7是挺不错的。雷士这款还有一个亮点是双面发光设计,采用的独立发光LED芯片,从根本上做到了无蓝光危害和无可视频闪。
更新:对比下雷士的暮染Pro性能更优,性价比也更高
至于什么是全光谱台灯,大家可以参考官方给出的回答:

光谱描述的是复色光通过色散系统(例如棱镜或光栅)后,被分解为单色光,并依据波长大小进行排序形成的光带。全光谱通常指的是波长范围在400nm至700nm之间的光波。全光谱LED灯与普通灯之间的核心差异在于它们所发出的光的光谱范围。普通LED灯的光谱范围相对狭窄,只能提供有限的光谱和颜色选择。然而,全光谱LED灯则能提供更广泛的光谱范围,能够模拟太阳光,为用户带来更为自然的照明体验。
AAA全光谱灯还有欧普元尊那款,重量真的超重,别说担心重心不稳的问题,可是推它都推不倒哈哈,整体的颜色是暗黑系的,可能视觉上会让人有些不放松。
另外在测试的产品中300元价位还有米家Pro这款。米家Pro一拿到手我的感觉是“离谱”哈哈哈,我甚至觉得它是不是担心我根本不算大的书桌太孤单了才会搞这样的超长臂设计。 这款300多国a级就性价比不太够了,而且这外观设计也是我个人不太能接受的。
这款真的会比较浪费空间,灯臂非常长4,
到了500-800元的价位可以挑选到台灯天花板性能的产品了。
总的来说台灯是一个低频购买但高频使用的产品,值得我们投入高一些的预算,而且不同价位产品性能的差距也比较多。

松下致玫这款使用下来给我的感觉是物有所值。无论是照度均匀度和光学性能都是这些产品中最优质的的一款,两个扇形区域内的照度均匀度分别是2.4和2.2,有扩光透镜技术,光照有效覆盖面积非常大,且可以180度独立于灯杆旋转,预算高一些的可以选择这类的产品。
更新:松下致玫已下架,同价位性能更优选择:

说到这里,大家必然有疑问:既然500-800元就可以选到性能天花板的台灯,那么上千甚至几千元的台灯是智商税?
无论是台灯还是其他什么类型的产品,性能到了越高处就会越难再提升了,那么出现的问题就是投入大而回报小的问题,对于消费者来说就是性价比低。
以实例说明,若花费100元可购得性能评分为80分的产品,而提升至150元则能获得95分的性能,然而,若再追加50元至200元,性能的提升可能仅从95分微增至97分或甚至略降至96分,这样的增量显然在性价比上不尽人意。但这并不排除存在一部分消费群体,他们愿意为了这微乎其微的一两分性能提升而支付更高的成本。

之前测试过一款爱德华医生巴尔德尔的护眼台灯所以对于追求性能更完美的用户,大胆去选价格更高的产品。
以上十一款产品的链接除了六款,另外五款的我整理在这篇文章中:
2025年有哪些性价比高的台灯推荐|200元以内台灯推荐?9月更新台灯市场已经发展得相当成熟,通常来说,价格与产品质量是成正比的。如果不常阅读,那么200元以下的台灯或许已经足够满足你的需求。但如果愿意投资200至500元,就能入手达到国家标准AA级的台灯,这些台灯通常具备色温调节功能,光照范围和均匀性都比200元以下的台灯更胜一筹。如果预算能提到500元左右,可以选择性能更卓越的台灯,这些产品在亮度、照度以及护眼功能上都有更精细的考量。当然,如果预算允许,这类产品是个不错的选择。不过,最终决定还是要基于对产品功能和智能化设计的具体需求,如果这些对你来说不是必需的,那么选择性价比更高的实用型台灯可能更合适。
我是@开灯厂的云笺,工作相关对台灯有专业的了解,也有实际测评经验。