大家好鸭,我是牛皮酱。
姨妈巾伴陪伴集美们半辈子的个护用品。姨妈巾与私密花园长时间亲密接触,因此在选购时需要慎之又慎。一旦选错了,轻则来姨妈时下体不适,重则引发感染和炎症,后果非常严重。
考虑到平时日用姨妈巾用量比较多,咱们搜集了市场上商超常见的10款超薄姨妈巾来做个全面测评,与集美们分享一波,希望对集美们选购姨妈巾有所帮助。(PS:图比较多,想直接看结果的集美们可以直接拉到最后有总结。)
在测评前,为了能够更加全面了解姨妈巾,咱们先来学习一下姨妈巾的两个国家标准。
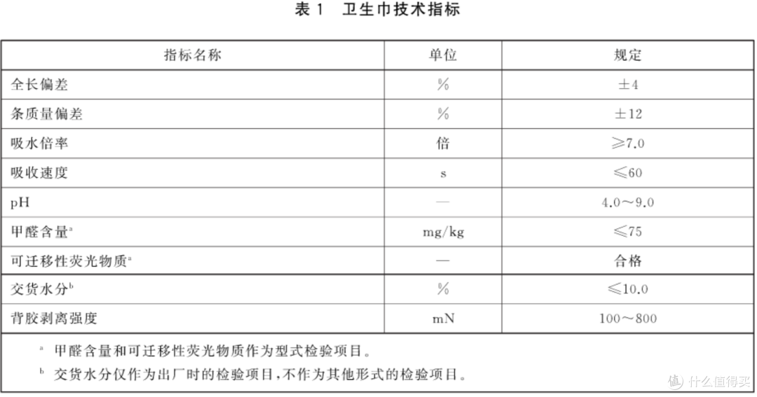
一、姨妈巾的两个国标姨妈巾需要参考两个国家标准,一个是姨妈巾产品的国家标准:GB/T 8939《卫生巾(护垫)》
,另外一个是姨妈巾的卫生标准:GB 15979《一次性使用卫生用品卫生要求》。
1、姨妈巾产品标准:GB/T 8939《卫生巾(护垫)》先来看看姨妈巾的产品标准,现行的GB/T 8939-2018《卫生巾(护垫)》,这个标准主要规定了姨妈巾的一些基本技术指标,包括外观尺寸、吸水倍率、吸水速率、pH值、甲醛含量、荧光剂含量等等。这些都是可以说是非常基础的指标,这些指标还是过于“包容”了,举个例子,就拿pH值来说,女生私密花园比较适合的pH值是偏向弱酸性,如果姨妈巾的pH值呈碱性,就很容易造成私密花园生态紊乱,引起下体不适。不仅如此,国标对于姨妈巾的反渗也只字未提,如果姨妈巾发生反渗不仅会引起下体不适,也很容易引发侧漏,非常尴尬。可以说,满足国标的姨妈巾只能说是一款能用的姨妈巾,而并非是一款好用的姨妈巾。
2、姨妈巾卫生标准:GB 15979《一次性使用卫生用品卫生要求》作为紧贴私处使用的卫生用品,卫生标准也需要相当高,否则很容易引发感染和炎症。现行的姨妈巾卫生标准是GB 15979-2002《一次性使用卫生用品卫生要求》,这个标准已经非常老了,今年通过了新的国家标准GB 15979-2024《一次性使用卫生用品卫生要求》,将在2025年7月1日开始实施,咱们把两个标准分开来聊聊。
当前执行的GB 15979-2002《一次性使用卫生用品卫生要求》对姨妈巾的卫生标准分为两个等级:普通级和消毒级,对应微生物指标略有不同。消毒级的标准明显高于普通级的标准,建议在选购时选择消毒级的产品。

怎们判断姨妈巾是不是消字号呢?在选购的时候,可以从姨妈巾的外包装看生产企业的卫生许可证号。如果卫生许可证是消字号,就是属于消毒级的姨妈巾。

在新的国家标准GB 15979-2024《一次性使用卫生用品卫生要求》,对姨妈巾的卫生要求提出了更高的要求,主要分为三大部分。第一,对于姨妈巾的微生物指标要求与2018款保持一致,消毒级标准即使拿到现在也是比较高的标准,咱们擦嘴的纸巾也是这个标准。

其次,在原有的微生物检测基础上,增加了荧光剂、重金属、消毒剂残留以及稳定性等检测指标,避免重金属、消毒剂残留对身体带来潜在的危害。这部分与姨妈巾的产品标准略有重叠,但是,要注意的是姨妈巾的产品标准是推荐性标准,并非强制性标准,这部分写到新的强制性国标里,可以看作是对姨妈巾国标一个全面的补充,避免一些无良商家钻空子。

最后,新的标准严格控制抑菌剂的添加量,并且增加了毒理学实验,避免在使用时对私处产生不良反应,相比当前施行的标准严格了很多,可以“干掉”一大波生产卫生标准不达标,靠消毒剂、抑菌剂来凑的卫生巾,倒逼生产企业去提升姨妈巾生产环境,相信可以达到良币驱逐劣币的效果,这对咱们来说绝对是一件好事。
二、10款日用姨妈巾测评牛皮选购了10款线上、线下商超都能买到的一些日用超薄姨妈巾测评分享给大家,它们分别是X菲裸感S、X度空间果滋润、X由点益生菌、XBC KMS日用型、X淘氧棉天山白、X尔舒适V感、X洁丝奢透蝉翼、X棉时代X丝公主超净吸、X金净雅日用型、X王X而雅零触感。咱们通过全面比较单价、执行标准、外观设计、厚度、重量、荧光剂含量、反渗等方面,来全面比较这几款日用超薄的卫生巾哪款值得入手。
1、X王X而雅零触感X王是大家耳熟能详的知名日用个护品牌,这里就不详细介绍了。X而雅是X王的子品牌,主要生产的就是姨妈巾、护垫、安睡裤之类的产品。X尔雅零触感系列姨妈巾长度为250mm,日常售价为9.9元/8片,折合单片价格1.24元。

执行标准是GB/T 8939与GB 15979,卫生许可证是消字号,属于消毒级姨妈巾。

X而雅零触感姨妈巾单片重量约为7.2g,重量方面是没有标准的,只能作为参考。不过作为姨妈巾,当然是越轻薄啊越好,咱们就以这个为标准,与后面几款姨妈巾做个比较。

X而雅零触感姨妈巾的厚度实测约为1.3mm,日用姨妈巾在保证吸收效果的前提下,厚度越薄透气性肯定是越好,使用时下体更加干爽。

实测X而雅零触感姨妈巾荧光剂含量为0,材质还是比较安全的。

X而雅零触感姨妈巾左右两侧做了防侧漏护翼设计,中间做成了菱形纹路,可以像“沟壑”一样,减缓姨妈的流动,牢牢锁定姨妈,这也可以一定程度上减少侧漏的概率。

国标对姨妈巾吸收量的要求是≥7倍姨妈巾的重量,那么咱们反渗实验就模拟姨妈巾吸收45ml的“姨妈”量,静置30秒后用纸巾接触,通过纸巾上吸收的“姨妈”来比较每一款姨妈巾的反渗效果。

实测X而雅零触感姨妈巾的吸收效果还不错,没有发生“姨妈”反渗,表现非常不错。
2、X尔舒适V感第二款测试的姨妈巾是来自X尔舒适V感系列姨妈巾,这款姨妈巾从长度为240mm,日常单包售价是12.9元/10片,折合1.29一片,与前面这款X而雅差不多。

X尔舒适V感系列姨妈巾的执行标准是GB/T 8939与GB 15979,卫生许可证是消字号,同样属于消毒级姨妈巾。

单片重量约为7.1g,基本与X而雅零触感一致。

X尔舒适V感姨妈巾的厚度约为1.4mm。

荧光笔未检测到荧光剂成分,材质比较安全。

X尔舒适V感系列姨妈巾将姨妈巾不仅做了防侧漏护翼,还设计成V字形,可以贴合女性生理形体,让大姨妈来临时可以第一时间被姨妈巾吸收,这个设计还是挺不错的。

反渗测试中这款姨妈巾没有发生反渗的情况,表现很棒。
3、X棉时代X丝公主超净吸X棉时代X丝公主超净吸是一款号称全棉材质的姨妈巾,长度为245mm,日常售价为9.9元/10片,折合单片0.99元,相比前面两款更有性价比。

X棉时代X丝公主超净吸的执行标准是GB/T 8939与GB 15979,卫生许可证是消字号,这也是一款消毒级姨妈巾。

X棉时代X丝公主超净吸单片重量仅为6.2g。

X棉时代X丝公主超净吸厚度为1mm,重量和厚度都表现非常棒。

经过荧光笔测试同样不含荧光剂,材质是比较安全的。

X棉时代X丝公主超净吸表层采用全面材质,比较柔软亲肤。除了左右两侧的护翼以外,在姨妈巾表面花纹设计成两边宽中间窄的形状,能够一定程度上起到防侧漏的效果。

在反渗测试上,X棉时代X丝公主超净吸出现了“翻车”的情况,反渗还是比较严重的。
4、X洁丝奢透蝉翼第四款测试的姨妈巾是X洁丝奢透蝉翼,这款算是X洁丝的高端系列姨妈巾,长度为240mm,日常售价9.9元/9片,单片价格1.1元。

X洁丝奢透蝉翼系列姨妈巾的执行标准是GB/T 8939与GB 15979,卫生许可证是消字号,是一款消毒级姨妈巾。

X洁丝奢透蝉翼姨妈巾重量为6.8g,与前面几款相比,居于中间值。

同样的测试方法下,测得X洁丝奢透蝉翼姨妈巾的厚度仅为0.8mm,真心很薄了。

X洁丝奢透蝉翼姨妈巾经过荧光笔测试同样不含荧光剂,材质是比较安全的。

X洁丝奢透蝉翼姨妈巾表面有大量打孔设计,能够提升姨妈巾的透气性,在穿戴时会更加透气。

X洁丝奢透蝉翼姨妈巾的反渗测试中,有非常轻微的反渗,不是很严重,也算是勉强过关。
5、X度空间果滋润X度空间果滋润系列姨妈巾是一款号称在姨妈巾中添加了乳木果牛奶双萃,可以在使用时对滋润私处,起到有效保护作用。这款姨妈巾长度为250mm,在日用姨妈巾中也算是比较长的,日常售价为16.5元/8片,折合单片价格为2.05元,U1S1,有点儿小贵。

X度空间果滋润系列姨妈巾的执行标准是GB/T 8939与GB 15979,卫生许可证是消字号,是一款消毒级姨妈巾。

X度空间果滋润系列姨妈巾的重量约为8.9g,可以是一款比较重的姨妈巾了。

X度空间果滋润系列姨妈巾的厚度为0.9mm,比较薄。

经过荧光笔测试,同样没有检测出荧光剂的成分,材质安全。

X度空间果滋润系列姨妈巾在防漏方面下了很多功夫,不仅护翼做得比较大,在表面也做了比较深的压花处理,类似于像高端纸巾那样。

实测X度空间果滋润系列姨妈巾没有发生反渗的情况,表现非常不错。
6、X金净雅日用型X金净雅日用型姨妈巾是一款使用了“千金棉”材质的姨妈巾,主打亲肤透气,号称通过医护级认证,甚至还有调理的功能。这款姨妈巾长度为240mm,日常售价为21.9元/8片,单片价格高达2.74元。

X金净雅日用型姨妈巾执行标准是GB/T 8939与GB 15979,卫生许可证是消字号,属于消毒级姨妈巾。

单片重量为7.8g,属于比较重的姨妈巾了。

X金净雅日用型姨妈巾厚度为2mm,厚度表现也偏厚,也算是刷新了这次测评的这几款姨妈巾的上限。

荧光笔测试不含荧光剂,材质安全没毛病。

X金净雅日用型姨妈巾与X尔的V字型设计比较类似,压花上设计成了小蛮腰的V形状,更加贴合女性生理形体,两侧也有比较大的护翼,在防侧漏上也下了不少功夫。

X金净雅日用型姨妈巾反渗测试中出现了反渗,并且量还不少,算是“翻车”了。
7、XBC KMS日用型XBC KMS日用型姨妈巾是一款使用了清凉配方的姨妈巾,在姨妈来临时穿戴起来有一定的凉感。这款姨妈巾的长度为240mm,日常售价为7.9元/8片,折合单片价格为0.99元。

XBC KMS日用型姨妈巾的执行标准是GB/T 8939与GB 15979,卫生许可证是消字号,同样属于消毒级姨妈巾。

XBC KMS日用型姨妈巾的重量为7.6g。

XBC KMS日用型姨妈巾的厚度为1.5mm。

经过荧光笔实测,XBC KMS日用型姨妈巾不含有荧光剂成分。

XBC KMS日用型姨妈巾设计成了小蛮腰形的压花,两边有防侧漏的护翼,芯部使用了XBC的蓝芯科技,能够加强姨妈巾的吸收效果。

XBC KMS日用型姨妈巾的吸收效果很棒,反渗测试中没有出现丝毫姨妈反渗的情况。
8、X菲裸感SX菲裸感S系列姨妈巾为X菲的高端系列姨妈巾,主打轻薄透气。X菲裸感S长度为230mm,属于比较短的款式,单包售价为14.9元/12片,单片价格为1.24元。

执行标准是GB/T 8939与GB 15979,卫生许可证是消字号,属于消毒级姨妈巾。

X菲裸感S重量为6.2g,非常轻的一款姨妈巾。

X菲裸感S的厚度为1mm,比较薄。

经过荧光笔实测,X菲裸感S不含荧光剂。

X菲裸感S姨妈巾做了大量的打孔设计,提升姨妈巾穿戴时的透气性,同时为了提升穿戴的舒适性,左右两侧没有做护翼。

反渗测试中,X菲裸感S姨妈巾出现了明显的反渗,这会非常影响日常使用体验。
9、X淘氧棉天山白X淘氧棉天山白是一款采用全棉材质表层的姨妈巾,长度为240mm,日常售价为13.5元/10片,折合单片价格为1.35元。

执行标准是GB/T 8939与GB 15979,卫生许可证是消字号,属于消毒级姨妈巾。

X淘氧棉天山白单片的重量为8.9g,重量偏重。

X淘氧棉天山白厚度约为1.1mm,全棉材质这个厚度表现不错。

经过荧光笔测试,这款姨妈巾不含荧光剂。

X淘氧棉天山白姨妈巾中间采用小蛮腰的压花设计,同时左右两侧采用了大面积的护翼,能够有效防止侧漏。

反渗实测,X淘氧棉天山白姨妈巾有轻微的反渗,基本过关。
10、X由点益生菌X由点益生菌是宣称在姨妈巾中添加了益生菌成分,能够起到姨妈期间保持私处微生物平衡的效果。这款姨妈巾的日常售价为单包19.9元/12片,折合单片价格为1.66元,属于价格比较高的姨妈巾了。

执行标准依然是GB/T 8939与GB 15979,卫生许可证是消字号,属于消毒级姨妈巾。

X由点益生菌姨妈巾单片重量为6.4g,属于比较轻薄的姨妈巾。

X由点益生菌姨妈巾厚度约为0.9mm,比较薄。

经过荧光笔测试,X由点益生菌姨妈巾不含荧光剂成分,材质安全。

除了添加益生菌以外,X由点益生菌姨妈巾采用大侧翼设计,能够有效防止侧漏。

在反渗测试中,X由点益生菌姨妈巾出现了一定程度的反渗,这会影响姨妈期间的穿戴体验。
总结为了提升阅读体验,咱们列出图表对这次姨妈巾的测评做一个总结,给集美们在选购时提供一些参考:

总结一下这次测评的结果:
● 姨妈巾并非越贵约好用,其中售价最高的X金净雅姨妈巾反而不是特别推荐。
● 综合姨妈巾的实际表现,推荐入手XBC KMS日用型、X王X而雅零触感、X尔舒适V感以及X度空间果滋润,这几款是实测完全没有反渗的姨妈巾,XBC KMS日用型的性价比最高,X度空间果滋润最薄并且最长,但是价格也偏高。
● X洁丝奢透蝉翼和X淘氧棉天山白只有轻微反渗,也是属于可以入手的这一类,如果有活动也可以冲。
● 其它几款出现了不同程度且难以接受反渗,就不怎么推荐了。
最后,测评不易,看完的小伙伴们,别忘了点赞、收藏与关注三连,笔芯!